|
|
|
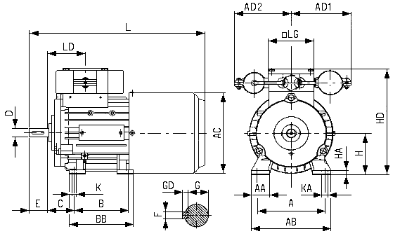
Masse
|
|
Baugröße
|
A
|
AA
|
AB
|
AC
|
AD1
|
AD2
|
B
|
BB
|
C
|
D
|
H
|
HA
|
HD
|
K
|
KA
|
L
|
LD
|
LG
|
E
|
F
|
G
|
GD
|
|
63
|
100
|
27
|
120
|
118
|
99
|
94
|
80
|
96
|
40
|
11
|
63
|
7
|
164
|
7
|
10
|
280
|
69,5
|
75
|
23
|
4
|
8,5
|
4
|
|
71
|
112
|
30,5
|
132
|
139
|
100
|
95
|
90
|
106
|
45
|
14
|
71
|
7
|
164
|
7
|
10
|
292
|
64
|
75
|
30
|
5
|
11
|
5
|
|
80
|
125
|
30,5
|
150
|
157
|
104
|
104
|
100
|
118
|
50
|
19
|
80
|
8
|
200
|
9,5
|
13,5
|
328
|
64
|
75
|
40
|
6
|
15,5
|
6
|
|
90S
|
140
|
30,5
|
165
|
174
|
109
|
114
|
100
|
143
|
56
|
24
|
90
|
10
|
218
|
10
|
14
|
383
|
79
|
75
|
50
|
8
|
20
|
7
|
|
90L
|
140
|
30,5
|
165
|
174
|
109
|
114
|
125
|
143
|
56
|
24
|
90
|
10
|
218
|
10
|
14
|
383
|
79
|
75
|
50
|
8
|
20
|
7
|
|
100L
|
160
|
42
|
196
|
196
|
138
|
138
|
140
|
140
|
63
|
28
|
100
|
12
|
263
|
123
|
16
|
458
|
102
|
120
|
60
|
8
|
24
|
7
|
|