|
|
|
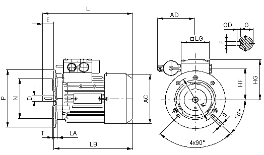
Masse
|
|
Baugröße
|
HF
|
HG
|
L
|
LB
|
LG
|
M
|
N
|
P
|
S
|
T
|
D
|
E
|
F
|
G
|
GD
|
AC
|
AD
|
LA
|
|
56
|
78,5
|
101
|
177
|
-
|
75
|
100
|
80
|
120
|
7
|
3
|
9
|
20
|
3
|
7,2
|
3
|
116
|
94
|
8
|
|
63
|
78,5
|
101
|
202
|
179
|
75
|
115
|
95
|
140
|
10
|
3
|
11
|
23
|
4
|
8,5
|
4
|
118
|
94
|
8
|
|
71
|
88,5
|
111
|
240
|
210
|
75
|
130
|
110
|
160
|
10
|
3,5
|
14
|
30
|
5
|
11
|
5
|
139
|
95
|
9
|
|
80
|
95,5
|
120
|
272,5
|
232,5
|
75
|
165
|
130
|
200
|
12
|
3,5
|
19
|
40
|
6
|
15,5
|
6
|
156,5
|
95
|
10
|
|
90
|
105,5
|
128
|
331
|
281
|
75
|
165
|
130
|
200
|
12
|
3,5
|
24
|
50
|
8
|
20
|
7
|
173,6
|
109
|
10
|
|
100L
|
125
|
160
|
372,5
|
312,5
|
120
|
215
|
180
|
250
|
14,5
|
4
|
28
|
60
|
8
|
24
|
7
|
196
|
138
|
11
|
|