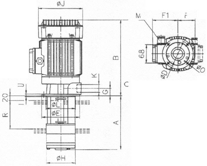
Masszeichnung, Eintauchpumpen für hohe Drücke
Baureihe: ETP-COV

Typ ETP-

A

B

C

D

E

F

F1

G

H

J

K

L

M

O

R

I

U

COV23-15

150

245

395

115

130

70

95

25

99

132

3/4”

100

M20

7

100

3

6

COV23-25

250

495

200

COV33-18

180

267

447

106

100

7

COV33-28

280

547

200

COV43-25

250

315

565

160

180

100

124

30

130

172

140

M25

140

COV43-39

390

605

280

COV54-25

250

315

565

140

COV54-39

390

705

280

COV56-25

250

406

656

141

198

140

COV56-39

390

796

280

Alle Angaben in mm. Irrtum vorbehalten