Schneckengetriebe bei elosal.de
Masszeichnungen.

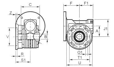
Masszeichnung - Schneckengetriebe mit Fuß

Mass

Getriebebaugröße

030

045

050

063

085

B

14

18

25

25

35

G

55

72

82

100

142

I

65-66

80-81

98-100

111

145

M

50

50-52

63-65

95

140

Masszeichnung - Welle einfach

Getriebe

Mass

B

C

D

E

M

N

t2

030

5

25

14

35,5

61

95

16,3

045

6

32

18

43

70

113

20,8

050

8

52

25

60

88

146

28,3

063

8

60

25

63,2

126,8

190

28

085

10

60

35

73,5

140

214

38,3

Masszeichnung - Welle zweieinfach (Doppelwelle)

Getriebe

Mass

B

C

D

E

F

L

t2

030

5

25

14

35,5

55

126

16,3

045

6

32

18

43

65

151

20,8

050

8

52

25

60

81

200

28,3

063

8

60

25

63,2

120

246,4

28

085

10

60

35

73,5

135

282

38,3

Masszeichnung - Getriebe mit Abtriebsflansch

Mass

Getriebebaugröße

030

045

050

063

085

A

30

45

50

63

85

C

55

65

81

120

135

F

62,5

74

81,5

99,5

124

F1

46

55

65

79

98

J1

51

72

81

100

138

S1

50,5

60,5

85

86

108

O1

8,5

8,5

10,5

13

13

R

6

9

9

7

5

T1

87

87

90

150

176

U

110

110

123

175

205

V

50

60

70

115

152

Z

6

9

12

13

16

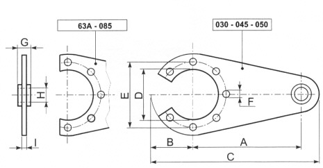
Masszeichnung - Drehmomentstütze

Getriebe

Mass

A

B

C

D

E

F

G

H

I

030

100

40

158

50

65

7

4

8

4

045

100

45

158

50

65

7

4

8

4

050

100

55

173

68

94

7

4

8

4

063

150

x

x

75

90

9

20

11

6

085

200

80

320

110

130

11

25

20

6

Irrtum vorbehalten